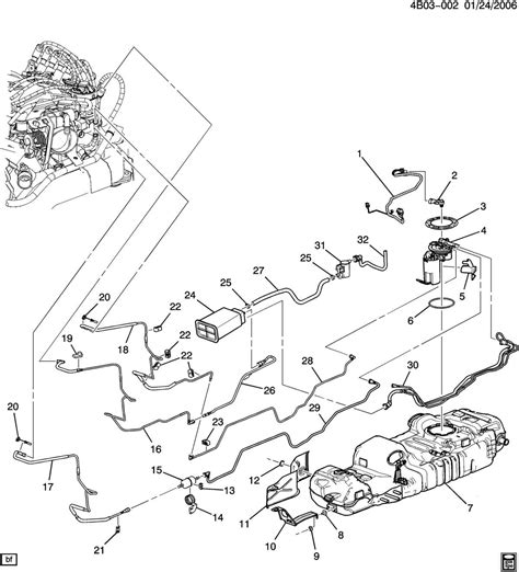
Rendezvous Fuel Rail

Rendezvous Fuel Rail

The Buick Rendezvous, while cherished for its versatility and comfort, is a vehicle that requires diligent maintenance to keep its V6 engine running at peak performance. One critical component that often demands attention as the vehicle ages is the Rendezvous fuel rail. This assembly acts as a distribution manifold, delivering high-pressure fuel to the individual injectors, which then atomize the fuel for combustion in the engine cylinders. When this system begins to fail, drivers often notice symptoms like rough idling, decreased fuel economy, or even a persistent smell of gasoline around the engine bay. Understanding how this component operates and knowing when it requires service or replacement is essential for any DIY enthusiast or long-term owner aiming to extend the life of their SUV.

Understanding the Role of the Rendezvous Fuel Rail

At its core, the fuel system in your Buick is designed to maintain constant pressure. The Rendezvous fuel rail sits atop the cylinder heads, bolted securely to accommodate the fuel injectors. Its primary function is to act as a pressurized reservoir. By holding fuel at a consistent level, it ensures that when the engine control unit (ECU) signals an injector to fire, the fuel is ready to be sprayed instantly into the intake manifold.

Over time, the O-rings that seal the injectors to the rail can harden or crack due to constant heat cycles. Furthermore, internal corrosion or sludge buildup within the rail itself can impede flow, leading to performance issues. Recognizing these early signs can prevent a simple maintenance task from turning into a roadside breakdown.

Engine maintenance and fuel system components

Common Symptoms of Fuel System Issues

When the Rendezvous fuel rail or its associated seals fail, the vehicle will communicate the problem through several distinct behaviors. Ignoring these signs can lead to fuel leaks, which pose a significant fire hazard, or engine misfires that can damage your catalytic converter. Keep an eye out for these indicators:

  • Hard Starting: If the fuel rail loses pressure when the engine is off, the pump must work extra hard to prime the system, resulting in a long crank time.
  • Rough Idling: A leaking injector or a drop in rail pressure can cause an uneven air-fuel mixture, making the engine shake at stoplights.
  • Reduced Acceleration: When the engine demands more fuel under load, a restricted rail cannot supply enough volume, causing the vehicle to "stutter" or lose power.
  • Fuel Odor: The scent of raw gas in the cabin or around the engine bay is a clear sign that a seal or the rail itself has developed a leak.
  • Check Engine Light: Misfire codes (P0300-P0306) are frequently linked to fuel delivery problems originating at the rail.

Maintenance and Replacement Overview

If you have diagnosed a problem with your fuel system, deciding whether to clean or replace the assembly is the next step. If the rail is simply clogged, fuel system cleaners or professional ultrasonic cleaning might suffice. However, if the mounting points are damaged or if the rail has developed a hairline crack, replacement is mandatory.

Component Typical Lifespan Failure Symptom
Fuel Injector O-Rings 80,000 - 100,000 miles Fuel odor/Small leak
Fuel Pressure Regulator 100,000+ miles Hard starting/Rich mixture
Fuel Rail Assembly Lifetime (if maintained) Cracking/Internal clogging

⚠️ Note: Always depressurize the fuel system before attempting to remove the fuel rail. Failure to do so will result in pressurized fuel spraying onto the engine, creating a significant hazard.

Steps for Inspecting the Fuel Rail

Before diving into a repair, a thorough inspection is required. Follow these steps to evaluate the condition of your Rendezvous fuel rail:

  1. Clear the area: Remove the plastic engine cover to expose the intake manifold and fuel assembly.
  2. Visual Inspection: Look for "wet" spots or dark stains around the base of each fuel injector where it enters the rail.
  3. Pressure Test: Connect a fuel pressure gauge to the test port on the rail. Compare the reading to your vehicle's manual specifications.
  4. Cycle the Key: With the engine off, turn the ignition to the "On" position to prime the pump, then check for pressure drops that indicate a leak.

💡 Note: When replacing O-rings, always apply a light coat of clean engine oil or silicone lubricant to the new rings to ensure they seat correctly without tearing.

Best Practices for Fuel System Longevity

To ensure your Rendezvous fuel rail lasts as long as possible, consistency is key. Using high-quality fuel helps prevent internal deposits, and keeping up with the manufacturer’s recommended fuel filter replacement schedule takes the strain off the entire system. A clean fuel filter ensures that contaminants never reach the sensitive injectors or the narrow passages of the rail, effectively doubling the lifespan of these critical components. Furthermore, avoid driving on a near-empty tank; the fuel pump relies on the gasoline in the tank for cooling, and running it dry can cause the pump to overheat and push debris into the fuel lines.

Maintaining the integrity of the fuel delivery system is a fundamental aspect of Buick ownership. By keeping a watchful eye on the performance of your Rendezvous fuel rail, you prevent secondary engine damage and ensure that your vehicle remains reliable for years to come. Whether you are addressing a minor leak by replacing the O-rings or performing a full system check due to performance drops, acting early saves time and money. Remember that safety is the top priority when working with pressurized fuel, so always work in a well-ventilated area, wear protective eyewear, and keep a fire extinguisher nearby. With the right approach to maintenance, your vehicle will continue to provide the smooth, consistent driving experience that defines the Buick brand.

Related Terms:

  • Fuel Injector Rail
  • Fuel Rail Diagram
  • Car Fuel Rail
  • Fuel Rail System
  • Diesel Fuel Rail
  • Fuel Rail Engine